特集 第4回
食べ物の当てっこさん
私たちが毎日口にする色々な食べ物。それらをミクロの目で見てみると…。
今回は電子顕微鏡の写真からどんな食べ物なのかを当てる3択クイズです。

【第1問】
- きなこ
- 抹茶
- あんこ
- 和菓子でよく使われているよ
- お餅と一緒に食べることもあるよ
- 大豆でできているよ
答えは「きなこ」でした。
きなこは大豆を炒って皮をむき、粉末状にしたものです。
画像の中に見える複数の丸い粒はでんぷんです。

【第2問】
- チョコレート
- マシュマロ
- キャラメル
- あまいお菓子だよ
- 焼いて食べることもあるよ
- ふわふわしているよ
答えは「マシュマロ」でした。
マシュマロは卵白を泡立ててシロップ等とあわせて作ります。
画像の中に見える空洞は卵白を泡立てた時にできた気泡でこの気泡によりふわふわした食感となります。

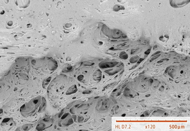
【第3問】
- へちま
- フランスパン
- インスタント麺
- お湯にひたすとかさが増すよ
- 簡単に食べられるよ
- 細長い食べ物だよ
答えは「インスタント麺」でした。
多くのインスタント麺は茹でた麺を油であげて加工してあります。
画像の中に見える洞窟のような空洞は、油であげたときに水分が蒸発してできたものです。
お湯を入れることで、この空洞に水分が入り元の状態に戻り食べることができます。

【第4問】
- 砂糖
- 白米
- 塩
- 白い色をしているよ
- 一粒が小さいよ
- 稲からとれるよ
答えは「白米」でした。
白米にもでんぷんが含まれています。
電子顕微鏡で観察すると大豆等に含まれるでんぷんが丸い粒なのに対して
白米のでんぷんは角ばった形をしていることが分かります。

【第5問】
- じゃがいも
- パン
- 梨
- 外側が茶色で内側が白いよ
- バターをつけて食べることもあるよ
- とてもやわらかいよ
答えは「パン」でした。
電子顕微鏡で拡大すると、丸いつぶつぶを観察することができます。
これは、パンの材料である小麦粉に含まれているでんぷんです。

【第6問】
- のり
- しその葉
- 板ガム
- 黒や緑色をしているよ
- 白米と食べるとおいしいよ
- おにぎりに使われるよ
答えは「のり」でした。
のりは海に住む藻類を乾燥させたものです。
電子顕微鏡で拡大すると、のりの表面にたくさんの細胞を観察することができます。


















