ページの本文へ

日立ハイテク

特集 第6回

植物図鑑ノート

植物(しょくぶつ)のグループである「()」と「花粉(かふん)(かたち)」に注目(ちゅうもく)してみましょう。どんな特徴(とくちょう)があるかな?完成(かんせい)させて(たし)かめてみよう!
画面(がめん)()づらい場合(ばあい)は、ブラウザの設定(せってい)から画面(がめん)サイズを調整(ちょうせい)ください。

バラ科の植物

バラ

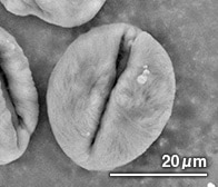
バラの花粉(顕微鏡写真)

ウメ

ウメの花粉(顕微鏡写真)

サクラ

サクラの花粉(顕微鏡写真)

ユキヤナギ

ユキヤナギの花粉(顕微鏡写真)
完成!

バラ()花粉(かふん)細長(ほそなが)くて、(くち)のようなへこみがあるのが
特徴(とくちょう)です。

ページ先頭へ