Electronic Printer CyberPrinter
The CyberPrinter, which can be connected to the EX6000/7000, and has the connected message function, is a multi-functional process electronic printer that has a track record management function to collect and accumulate and analyze process and alarm data.
Special Features
The printed document of EX-6000/7000 is in a message / output report form.
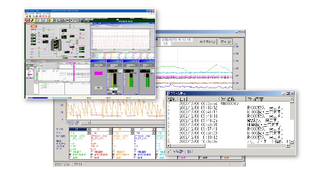
On the CyberPrinter, you can display, store, and print and capture printed documents and hard copies.
You can also easily make into a database long-term operations data and collect and accumulate alarm data.
Message / output report / hard copy screen
Alarm collection, storage, and display analysis
Trend display
