음식 맞히기
우리가 매일 먹는 갖가지 음식들. 그것들을 마이크로의 눈으로 보면···.
이번에는 전자현미경의 사진을 보고 어떤 음식인지를 맞히는 삼지선다형 퀴즈입니다.

[질문1]
- 콩가루
- 말차
- 팥소
- 화과자에 자주 사용되죠
- 떡하고 같이 먹기도 해요
- 대두로 만들어요
정답은 ‘콩가루’였습니다.
콩가루는 대두를 볶고 껍질을 벗겨 분말 상태로 만든 것입니다.
이미지에 보이는 여러 개의 동그란 알맹이는 전분입니다.

[질문2]
- 초콜릿
- 마시멜로
- 카라멜
- 달콤한 과자예요
- 구워 먹기도 해요
- 폭신폭신해요
정답은 ‘마시멜로’였습니다.
마시멜로는 계란 흰자로 거품을 내고 시럽 등과 섞어 만듭니다.
이미지에 보이는 구멍은 계란 흰자로 거품을 냈을 때에 생긴 기포로,이 기포가 폭신폭신한 식감을 만듭니다.

[질문3]
- 수세미
- 프랑스빵
- 인스턴트 면
- 뜨거운 물에 담그면 부피가 늘어요
- 간단히 먹을 수 있어요.
- 가늘고 긴 음식이에요.
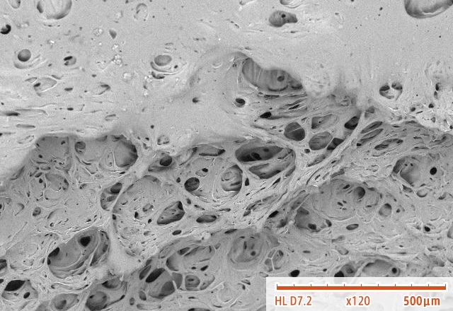
정답은 ‘인스턴트 면’이었습니다.
대부분의 인스턴트 면은 삶은 면을 기름에 튀겨서 가공합니다.
이미지에 보이는 동굴 같은 구멍은 기름에 튀겼을 때에 수분이 증발해 생긴 것입니다.
뜨거운 물을 넣으면 이 구멍으로 수분이 들어가 원래 상태로 되돌아가 먹을 수 있게 됩니다.

[질문4]
- 설탕
- 흰쌀
- 소금
- 흰색이에요
- 알맹이 하나가 작아요
- 벼에서 얻어져요
정답은 ‘흰쌀’이었습니다.
흰쌀에도 전분이 포함되어 있습니다.
전자현미경으로 관찰해보면 대두 등에 포함되는 전분이 동그란 알맹이인 것에 비해 흰쌀의 전분은 각진 형태를 하고 있다는 것을 알 수 있습니다.

[질문5]
- 감자
- 빵
- 배
- 바깥쪽이 갈색이고 안쪽이 하얘요
- 버터를 발라 먹기도 해요
- 아주 부드러워요
정답은 ‘빵’이었습니다.
전자현미경으로 확대하면 둥근 알맹이가 관찰됩니다.
이것은 빵의 재료인 밀가루에 포함되어 있는 전분입니다.

[질문6]
- 김
- 차조기잎
- 껌
- 검은색이나 초록색이에요
- 흰쌀과 먹으면 맛있어요
- 삼각김밥에 쓰여요
정답은 ‘김’이었습니다.
김은 바다에 사는 조류를 건조시킨 것입니다.
전자현미경으로 확대하면 김 표면에서 많은 세포를 관찰할 수 있습니다.


















