猜猜是哪种食物
我们每天吃的各种各样的食物。如果你用微观的眼光来看它们会是怎么样的呢...
这次是从电子显微镜的照片中进行食物猜谜。

【第1问】
- 黄豆粉
- 抹茶
- 红豆馅
- 经常用于日式点心
- 有时也跟年糕一起吃
- 用大豆做的
答案是“黄豆粉”。
黄豆粉是将大豆炒过后去皮,碾成粉末状的东西。
图像中可见的多个圆形颗粒是淀粉。

【第2问】
- 巧克力
- 棉花糖
- 奶糖
- 甜的点心
- 也有烤着吃的
- 轻飘飘的
答案是“棉花糖”。
棉花糖是将蛋白打成泡沫,和糖浆等一起制作的。
图像中可见的空腔是蛋清起泡时产生的气泡,这种气泡会产生蓬松的质地。

【第三问】
- 丝瓜
- 法式面包
- 方便面
- 浸在热水里会增加体积
- 很容易就能吃到
- 是细长的食物
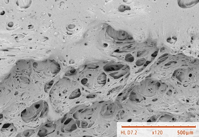
答案是“方便面”。
很多速食面条都是将煮好的面条用油炸后加工的。
图像中可见的洞穴般的空洞是用油炸的时候水分蒸发而成的。
通过倒入热水,水分就会进入这个空洞,就能回到原来的状态就可以吃了。

【第四问】
- 砂糖
- 大米
- 盐
- 是白色的
- 颗粒很小
- 从稻子上取下来的
答案是“大米”。
大米中也含有淀粉。
用电子显微镜可以看出,大豆中含有的淀粉是圆形颗粒,而大米淀粉则是带尖角的。

【第五问】
- 土豆
- 面包
- 梨
- 外面是茶色的,里面是白色的
- 有时也蘸黄油吃
- 非常柔软
答案是“面包”。
用电子显微镜放大的话,可以观察到圆形的颗粒。
这是作为面包材料的小麦粉中含有的淀粉。

【第6问】
- 海苔
- 紫苏叶
- 口香糖
- 是黑色或绿色的
- 和大米一起吃的话很好吃
- 可以用来做饭团
答案是“海苔”。
海苔是将生活在海里的藻类干燥后得到的。
用电子显微镜放大的话,可以观察到海苔表面的很多细胞。


















