Guess the Food
What would you see if you took a microscopic look at various everyday foods?
Here, we'll look at electron microscope images and guess the type of food out of three possible choices.

- Roasted soy flour
- Matcha
- Sweet bean paste
- It's often used in Japanese sweets
- Sometimes we have it with mochi (rice cakes)
- It's made with soy
This is made by roasting soybeans, peeling them and grinding them into a powder.
The round grains you see in the image are starch.

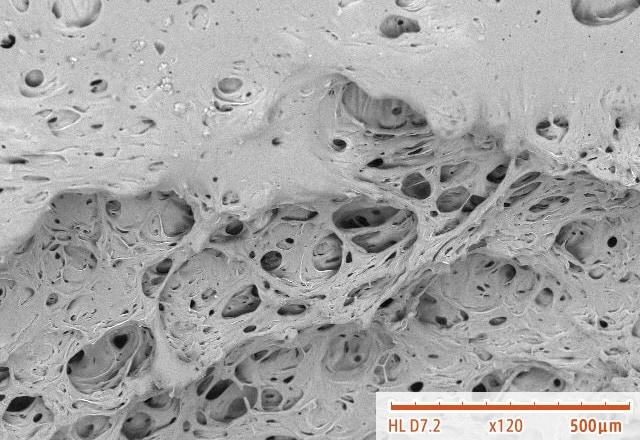
- Chocolate
- Marshmallow
- Caramel
- It's a sweet treat
- It can be grilled
- It's fluffy
To make marshmallows, egg whites are whipped and mixed with syrup and other ingredients.
The hollows in the image are the air bubbles created when the egg whites are whipped. It's these air bubbles that create the fluffy texture.

- Sponge gourd
- French bread
- Instant noodles
- It swells up if you immerse it in hot water
- It's easy to eat
- It's a long and thin food
Many instant noodles are processed by frying boiled noodles in oil.
The cavernous holes you see in the image are created by the evaporation of water when the noodles are fried in oil.
When you put the noodles in hot water, the water will fill these holes, returning the noodles to their original state so you can eat them.

- Sugar
- White rice
- Salt
- It's white
- It's made of small grains
- It comes from paddy fields
White rice also contains starch.
Electron microscopy shows that the starch in white rice is angular, unlike the starch in soybeans, which is round.

- Potatoes
- Bread
- Pear
- It's brown on the outside and white on the inside
- You can eat it with butter
- It's very soft
Under an electron microscope, round bumps become visible.
This is the starch contained in the wheat flour used to make bread.

- Nori (dried seaweed)
- Green perilla leaves
- Chewing gum
- It's green and black
- It goes well with rice
- It's used in onigiri (rice balls)
Nori is made by drying seaweed found in the sea.
Under an electron microscope, many cells are visible on its surface.


















