This website uses JavaScript. If you do not have JavaScript enabled in your browser, this website may not function or appear properly. Please enable JavaScript in your browser settings when using this website.
Skip to main content
식물도감 노트
식물의 그룹인[과]와[꽃가루의형태]에 주목해 봅시다. 어떤 특징이 있을까요? 완성해가며 확인해 봅시다.
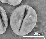
장미과의 꽃가루는 길고, 입같이 들어간 것이 특징입니다.
히타치하이테크코리아 주식회사
히타치 하이테크 글로벌 탑