This website uses JavaScript. If you do not have JavaScript enabled in your browser, this website may not function or appear properly. Please enable JavaScript in your browser settings when using this website.
Skip to main content
植物图鉴笔记
让我们注意植物大家庭中的“科”和“花粉的形状”,它们有什么特征?让我们完成并确认!在难以看清画面的情况下,请从浏览器的设定调整画面尺寸。
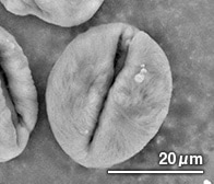
蔷薇科的花粉很细,特征是有像嘴巴一样的凹陷。
日立高新技术在中国
日立高新技术全球顶级