Plant Encyclopedia Notebook
Let's think about the plant groups, called "families," and the shape of the pollen.
What characteristics do they have? Complete the activity and take a look!

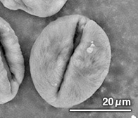
Plants in the rose family have pollen grains that are long and thin, with cavities that look like mouths.