食物猜謎大賽
我們每天會吃各式各樣的食物。用顯微之眼來看看它們的話…。
這一集是3選1的猜謎題,要從電子顯微鏡的照片來猜猜看照片裡的東西是什麼食物。

【第1題】
- 黃豆粉
- 抹茶
- 紅豆餡
- 和菓子經常使用喔
- 有時候也會和年糕一起吃喔
- 它是用大豆做成的喔
答案是「黃豆粉」。
黃豆粉是大豆炒過之後去皮,然後磨成粉末製作而成。
圖片裡看到的許多圓圓的顆粒是澱粉。

【第2題】
- 巧克力
- 棉花糖
- 牛奶糖
- 它是甜甜的零食喔
- 有時候也會烤來吃喔
- 它是入口即化的喔
答案是「棉花糖」。
棉花糖是將蛋白打發之後,加入糖漿等製作而成。
圖片裡看到的空洞是蛋白打發時所形成的氣泡,也因為這個氣泡,所以產生了入口即化的口感。

【第3題】
- 絲瓜
- 法國麵包
- 泡麵
- 一泡熱水,它的分量就會增加喔
- 方便食用喔
- 它是細長的食物喔
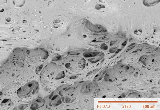
答案是「泡麵」。
多數的泡麵是將煮過的麵以油炸加工製成。
圖片裡看到有如洞窟般的空洞,就是油炸的時候水分蒸發所形成的洞。
倒入熱水,水分進到這個空洞裡就會恢復成原來的狀態,然後就可以吃了。

【第4題】
- 砂糖
- 白米
- 鹽
- 它是白色的喔
- 它的顆粒很小喔
- 它是取自於稻米的喔
答案是「白米」。
白米裡也含有澱粉。
用電子顯微鏡觀察,可以看到相對於大豆等所含有的澱粉是圓圓的顆粒,白米的澱粉則是有稜有角的形狀。

【第5題】
- 馬鈴薯
- 麵包
- 水梨
- 外面是茶褐色,裡面是白色的喔
- 有時候也會沾奶油吃喔
- 非常鬆軟喔
答案是「麵包」。
用電子顯微鏡放大後,可以觀察到圓圓的顆粒。
這是麵包材料的小麥粉所含有的澱粉。

【第6題】
- 海苔
- 紫蘇葉
- 口香糖
- 它是黑色及綠色的喔
- 和白飯一起吃很好吃喔
- 可以用在飯糰上喔
答案是「海苔」。
海苔是用居住在大海裡的藻類經過乾燥而製成的。
用電子顯微鏡放大後,可以觀察到海苔表面上有許多的細胞。


















