Various Information from SEM with High Throughput, Schottky FE-SEM SU7000
立花 繁明
走査電子顕微鏡(SEM)は、二次電子・反射電子・X線など多様な信号を取得できることから、幅広い分野において活用されており、その用途も多岐にわたっています。
SEMの性能・機能の向上・発展により様々な情報が得られるようになってきた反面、その使い方の複雑化、データ取得に要する時間の増加という課題も現れてきました。
2018年7月に(株)日立ハイテクが発表したショットキーFE-SEM、SU7000はこれらの課題に対応するため、電子光学系や検出系を新たに設計し、高性能活用とスループット向上の両立を図りました。
また近年注目されつつあるIn-Situ観察をはじめとするダイナミック観察・測定のため、多様な試料やアクセサリーが搭載できる試料室や試料ステージを備え、多様化する観察・測定手法に対応する装置です。
(1)ショットキーエミッターを搭載した電子銃を採用し、
(2)二次電子・反射電子像観察およびEDX測定が単一WD(6 mm)で実施可能。
(3)横方向最大φ200 mm、高さ最高80 mm、重量は2 kgまで(試料台含む)の試料を搭載可能な大型試料室/試料ステージを装備。
(4)最多で5検出器、6チャンネルの信号を同時表示/保存可能な表示系。
電子線源はショットキーエミッターを搭載しています。高分解能像を得る以外にも、獲得できる照射電流量が多いことから大電流EDX分析や高速EBSD測定などに適しています。また動作可能真空度に比較的余裕があることから低真空条件観察・測定にも適用可能です。
二段のコンデンサーレンズにより照射電流量は数pAから200 nAまでの範囲で調整可能です。
対物レンズは一般的なタングステンSEMに適用されているコニカル型レンズ(アウトレンズ)に静電界を組み合わせた構成になっています(図1)。
低加速電圧観察時に分解能を低下させる要因としては色収差の影響があげられます。
色収差はレンズに入射する電子線のエネルギーのばらつきによって起こりますが、これはエミッターの持つエネルギー幅(⊿E)と加速電圧(E)の比(⊿E/E)が大きいほど影響するため、特に低加速電圧観察時に顕著になります。
SU7000の光学系では、電子線照射時に加速電圧(Vacc)に加えて対物レンズの静電界(Vb)がエミッターから放出された電子線を加速し、上述の⊿E/Eを鏡筒内で低減させます。電子線は対物レンズ下端を通過する時点で減速されて指定した加速電圧値で試料に照射されます。
この静電界の持つ効果により、特に低加速電圧条件での観察で分解能を維持した観察が可能になっています。
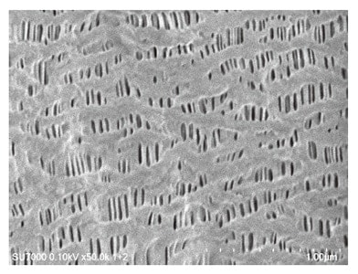
図2はリチウムイオン電池などに使用されるセパレータを観察した事例で、100 Vの加速電圧、倍率5万倍で観察しています。セパレータは高分子材料からなり、電子線照射によるダメージを受けやすい試料ですが、加速電圧を100 Vまで下げることでダメージを軽減し、かつ10 nm程度の繊維の状態まで確認できる像質で観察されています。

図1 SU7000光学系概略図

図2 セパレータ観察事例
加速電圧:100 V
倍率:5万倍
近年のSEMでは複数の二次電子・反射電子検出器の搭載が一般化してきています。それぞれの検出器特性に応じた有益な情報が取得できる利点がありますが、各検出器ごとにWDなどの最適条件を設定する必要がありました。そのため複数信号の同時取得を高いスループットで行うことは簡単ではありませんでした。
SU7000では各検出器の信号取得が同一WD(=6 mm)で行えるよう、光学系・検出系を設計しており、スループットの向上を図りました。図3は検出器配置を示しています。

図3 SU7000検出系概略図

図4 アルミ合金の3検出器、EDXマップ同一条件取得事例
試料から発生した二次電子、反射電子信号の一部は対物レンズの静電界および磁界によってエネルギーに応じた軌道を取り、それぞれUDおよびMDで検出されます。
また対物レンズ内に取り込まれない角度で放出された電子はLDやPD-BSEDで検出されます。これらが同一WDで取得されることで試料からの情報をより短時間で取得可能になりました。また、EDX分析も同じくWD=6 mmで取得できるような設計がなされており、観察位置決定から組成分析もより迅速な手順で実施できるようになりました。
図4は研磨後に熱処理したアルミ合金をWD=6 mm条件でUD、MD、LD各検出器の像およびEDXマップを取得した事例です。
MD像(反射電子像:右上)では析出物が粒界および粒内に分布している様子が把握できます。UD像(低エネルギー二次電子像:左上)ではMD像では現れていなかった暗い箇所がコントラストとして確認され、LD像(高エネルギー二次電子・反射電子像:左下)ではその箇所の形状が確認できています。
この視野を条件変更せずにEDXマップ(右下)を取得した結果、暗い箇所はマグネシウムおよびシリコンからなる酸化物であることが確認できました(黄緑部分)。マグネシウムやシリコンの酸化物は素地のアルミと比較的平均原子番号が近いため、MD像では高いコントラストを示さない一方、UDが低エネルギー二次電子に敏感な性質を持つため、金属と酸化物との二次電子放出効率の差により高いコントラストを示したと推測されます。
このように異なる検出器の情報を一度に取得することで、多面的な情報を迅速に取得することが可能になりました。
材料のプロセス中の挙動を把握する観点目的から、その場観察など動的観察への要望は従来から求められていました。組成や結晶学的情報を取得する上では反射電子信号の高速取得が必要ですが、SU7000で新規開発した半導体型反射電子検出器:PD-BSEDは応答特性を向上させて動的観察中の高速走査条件での像質向上を図っています。
図5はシリコン基板上の異物粒子をPD-BSEDで観察した事例です。

図5 PD-BSED(反射電子検出器)応答性比較
従来の方式(a)では像が流れていて粒子の形状が不明瞭ですが、新開発方式(b)では粒子の形状が明瞭に観察できています。
本検出器の高速応答性に加え、引張ステージなどの重量物を搭載可能な試料室およびステージ設計により、In-Situをはじめとする動的挙動観察への可能性を拡張しています。
試料室は合計18のアクセサリーポートを備え、様々なアクセサリー装着に備えています。
SU7000はFE-SEMにこれまでも要求されていた
することでデータの質およびスループット向上に寄与します。
さらに従来の静的SEM像取得・マイクロアナリシスに加え、動的観察をも視野に入れたデザインと機能は、SEMの可能性をさらに拡張することが期待されます。
著者紹介
立花 繁明
(株)日立ハイテク 科学システム営業本部 マーケティング部
さらに表示