構造細胞生物学のための電子顕微鏡技術
13. 電子顕微鏡トモグラフィー:トモグラフィーによる立体再構築(3)
* 当サイトに掲載している文章・画像などの無断転載を禁じます。
(3)トモグラフィーの実際
図1に示すように試料を傾斜しながら(実際は1度ずつ)電子顕微鏡付属のCCDカメラ(1,024×1,024)にて自動的に画像を取得する(顕微鏡の製造会社により異なるが、全体で1時間ほどかかる)。コンピューター内に撮影した画像のファイル(生データ)が出来る。この取得した像を連続的にアニメーション表示すると傾斜方向から像を観察することになり立体的に捉えることができる(GIFアニメーション)。昔流行したいわゆるパラパラ漫画みたいなものである。
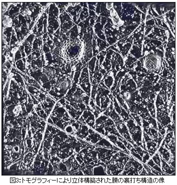
この傾斜像ファイルを日立EMIPというソフトウェアのTBR法で処理し水平断像を求めたものが図2である。この図は生のデータではなく計算によって求められたものであるから原画と比べると微細な点は失われているかもしれない。このような水平断像に変換した画像を先ほどのGIFイメージのようにアニメーション表示することもできる。これら二つのアニメーションを比べると傾斜像と水平断像の意味合いの違いが明確になる。さらにLinux®プラットホーム(レッドハット)のコンピューターにこの水平断像のファイルを持ち込み、Amiraで立体画像として表示すると図3のようになる(必ずしもAmiraである必要はない)。実際には立体再構築した像は回転し様々な角度から観察することができる。
最近はトモグラフィー電子顕微鏡としてソフトウェアがバンドルして売られているので、顕微鏡会社のソフトウェアで連続的に処理されることが多い。
* 当サイトに掲載している文章・画像などの無断転載を禁じます。
